
|
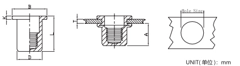
螺纹 Thread |
编号
P/N
|
T(GRIP RANGE) Min Max |
A Rer |
Hole Size ﹢0.1 0 |
D | B | K | L |
| M4 | FH-IHBC-0420 | 0.5-2.0 | 11.5 | 6.0 | 5.9 | 9.0 | 0.8 | 16.0 |
| FH-IHBC-0440 | 2.0-4.0 | 17.0 | ||||||
| M5 | FH-IHBC-0525 | 0.5-2.5 | 13.5 | 7.0 | 6.9 | 10.0 | 1.0 | 18.5 |
| FH-IHBC-0545 | 2.5-4.5 | 19.5 | ||||||
| M6 | FH-IHBC-0635 | 0.5-3.0 | 17.0 | 9.0 | 8.9 | 12.7 | 1.35 | 23.0 |
| FH-IHBC-0655 | 3.0-5.5 | 25.0 | ||||||
| M8 | FH-IHBC-0835 | 1.0-3.5 | 18.2 | 11.0 | 10.9 | 16.0 | 1.5 | 25.0 |
| FH-IHBC-0860 | 3.5-6.0 | 27.0 | ||||||
| M10 | FH-IHBC-1040 | 1.0-4.0 | 25.0 | 13.0 | 12.9 | 18.0(*19.0) | 1.7 | 33.0 |
| FH-IHBC-1060 | 4.0-6.0 | 35.0 | ||||||
| M12 | FH-IHBC-1265 | 4.0-6.5 | 27.0 | 16.0 | 15.9 | 23.0 | 2.0 | 34.0 |
| FH-IHBC-1285 | 6.5-8.5 | 37.0 |












